1/8
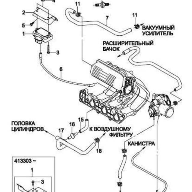
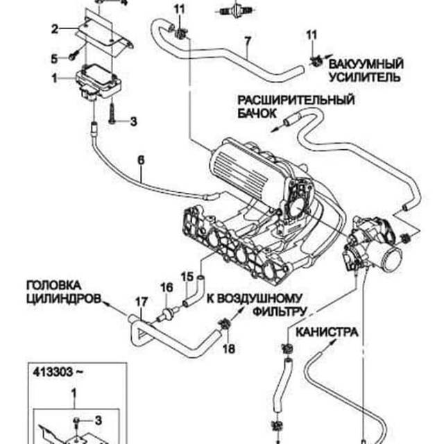
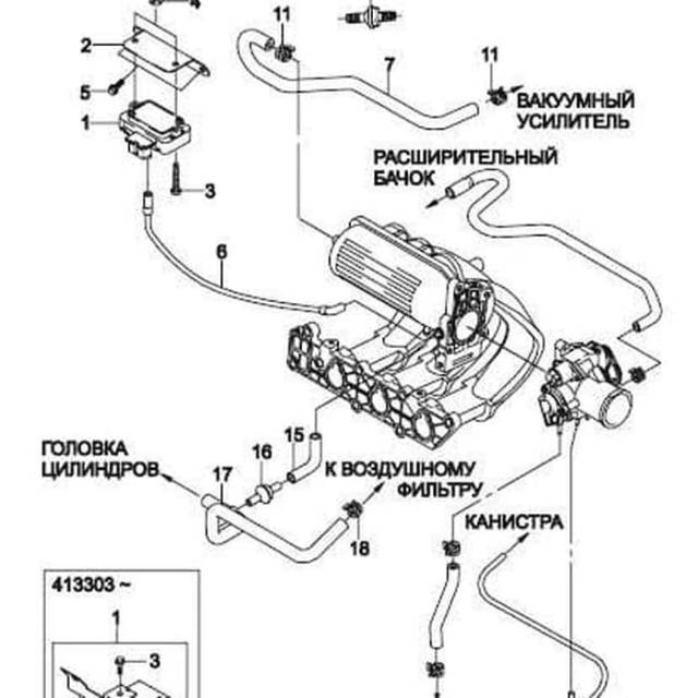
Selang Hose Beather Udara Breather Pcv Chevrolet Spark 800 Cc Daewoo Matiz
Pengguna baru berbelanja di aplikasi Akulaku bisa dapat voucher Rp165.000 lagi Download & Pakai!Pengguna baru berbelanja di aplikasi Akulaku bisa dapat voucher Rp165.000 lagi Download & Pakai!
pengiriman ke
Daerah Khusus Ibukota Jakarta, Kota Jakarta Barat, Cengkareng, yy
Penilaian
Belum ada penilaian
Produk
Tidak ada stok di area terpilih